Druckwasserwäsche
Das Verfahren beruht auf dem physikalischen Effekt der Lösung von Gasen in Flüssigkeiten. Die Löslichkeit steigt mit zunehmendem Druck an, weshalb mit komprimiertem Biogas gearbeitet wird.
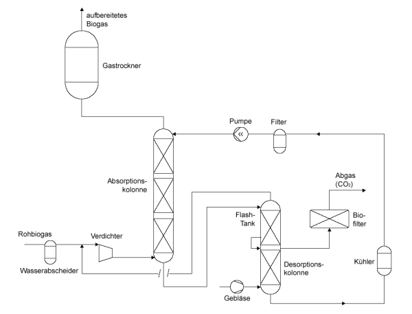
Um das Biogas von den Komponenten CO2 und H2S zu trennen, wird es auf den Druck von 6 bis 8 bar verdichtet und am Boden einer Absorptionskolonne eingespeist. Vom Kopf der Kolonne wird Wasser versprüht, so dass es im Gegenstrom zum Gas nach unten rieselt. Die Absorptionskolonne ist mit Füllkörpern ausgestattet, um eine große Oberfläche für den Gas-Flüssigkeits-Kontakt zu gewährleisten. Die folgende Abbildung zeigt das Schema einer Druckwasserwäscheanlage.
Abbildung 1: Schema einer Druckwasserwäscheanlage mit Kreislaufführung des Waschwassers
[Bildbeschreibung einblendenBildbeschreibung ausblenden]
In der schematischen Darstellung wird das Rohbiogas über einen Wasserabscheider dem Kompressor zugeführt und verdichtet, bevor es von unten in die Absorptionskolonne gelangt. Von dort wird das gereinigte Gas oben entnommen und anschließend getrocknet. Das Waschwasser läuft im Gegenstrom durch den Absorber, wird an dessen Unterseite entnommen und über einen Flashtank in die Desorptionskolonne geleitet. Dort gibt das Wasser die gelösten Gase ab und wird über einen Kühler und ein Filter wieder zurück in die Absorptionskolonne gepumpt. [Hagen et.al. 2001]
In der Absorptionskolonne lösen sich die basischen und sauren Bestandteile im Wasser. Es werden auch Stäube und Mikroorganismen größtenteils entfernt. Das angereicherte Gas ist mit Wasserdampf gesättigt und muss anschließend getrocknet werden. Sauerstoff und Stickstoff lösen sich nicht im Waschwasser, diese müssten über Aktivkohle oder Membranverfahren abgetrennt werden. Neben den unerwünschten Komponenten CO2 und H2S wird aber auch eine kleine Menge CH4 gelöst.
Das Reingas hat einen Methangehalt von bis zu 96 Vol%, die Restkonzentration an CO2 beträgt 1-2%. Laut Hersteller wird ein Methangehalt von mindestens 97% (d.h. 10,75 kWh/m³) erreicht (ohne Vorentschwefelung). Wird das Methan, das bei der Regenerierung der Waschflüssigkeit gewonnen wird, wieder dem Rohbiogasstrom zugemischt, kann der Methanverlust auf 2% gesenkt werden. Eine Vorentschwefelung kann entfallen, da der Grenzwert von 5 mg/m³ H2S auch noch bei 5000 mg/m³ H2S im Rohbiogas erreicht werden kann. [Theißing 2005]
Der Vorteil dieses Verfahrens liegt in der großen Flexibilität, der Biogasdurchsatz kann über eine Drehzahlregelung der Kompressoren berücksichtigt werden. Der Druck und die Temperatur können je nach CO2-Gehalt im Rohgas geändert werden. Es kann gesättigtes Biogas aufbereitet werden und es wird neben CO2 auch H2S und NH3 absorbiert. Die Investitionskosten und die Betriebskosten sind auch gering.
Ein Nachteil ist der hohe Energiebedarf für die Umwälzung des Waschwassers. Ein großes Problem bei diesem Verfahren ist der Umstand, dass die Löslichkeit von H2S in Wasser sehr hoch ist. In der Desorptionskolonne gelingt es nicht, das gesamte H2S wieder auszutreiben. Außerdem wird ein Teil des H2S in der Kolonne zu elementarem Schwefel oxidiert. Dieser reichert sich im System an und kann zu Verstopfungen führen. Es ist daher unerlässlich, das Waschwasser von Zeit zu Zeit auszutauschen oder das Biogas bereits vor dem Waschverfahren zu entschwefeln.
Mehr als die Hälfte der in Europa gebauten Aufbereitungsanlagen haben eine Druckwasserwäsche installiert. Bei dieser Technologie ist ein hoher Entwicklungsstand gegeben.
Abbildung 2: Anlage zur Aufbereitung von Biogas mittels der Druckwasserwäsche
[Bildbeschreibung einblendenBildbeschreibung ausblenden]
Foto einer Druckwasserwäscheanlage [Nilsson et.al 2001]
